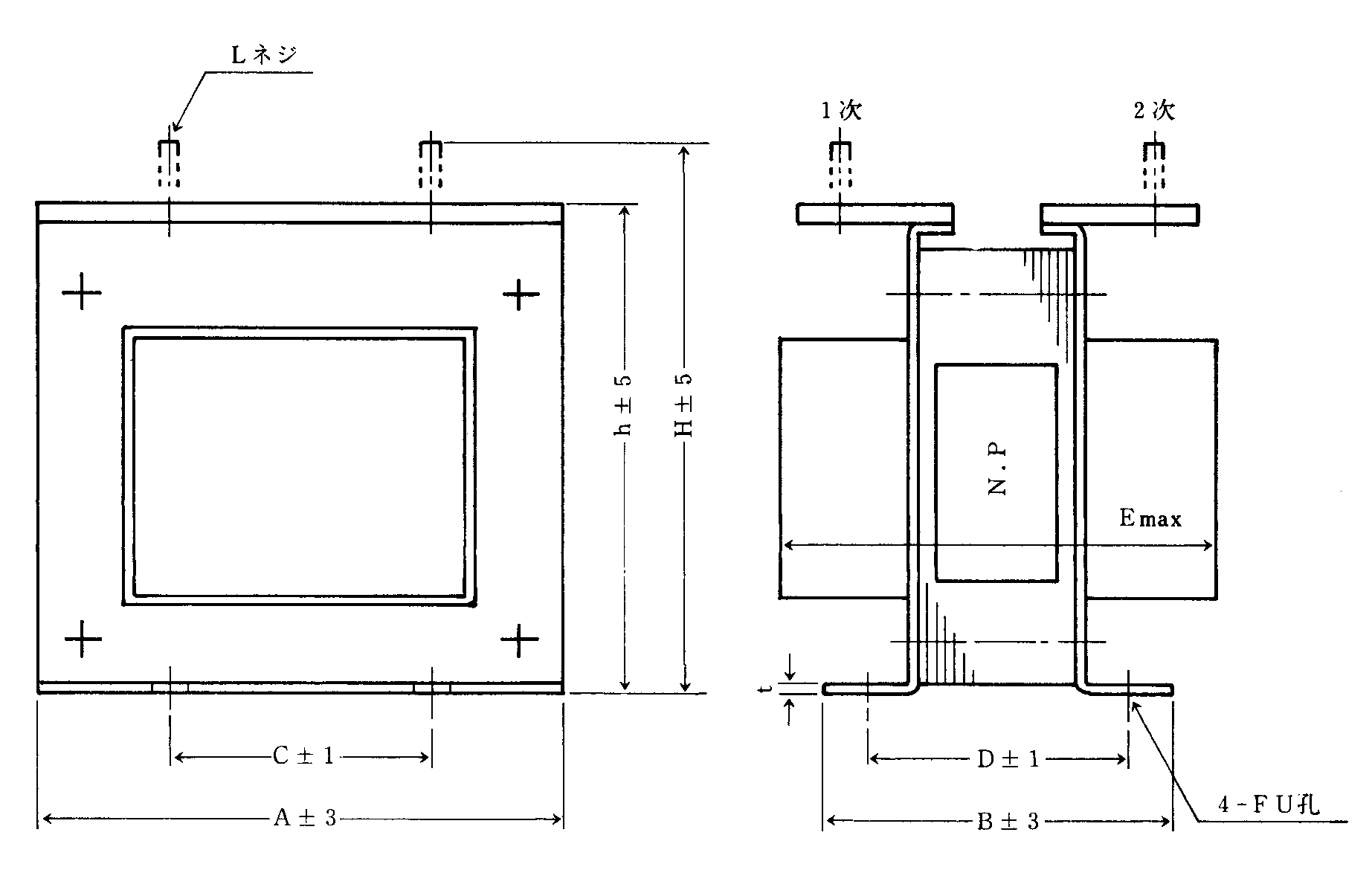
PCŒ^ƒgƒ‰ƒ“ƒX
_ —e—Ê ‰¡• ‰œs Žæ•t‰¡ Žæ•t‰œ Žæ•tUŒŠ ‚‚³ d—Ê Œ^–¼ [VA] A[mm] E[mm] C[mm] D[mm] F[mm] H[mm] [kg] PC1 15 86 75 50 50 6 105 1.5 PC2 25 86 85 50 55 6 105 1.7 PC3 50 86 95 50 65 6 105 2.4 PC4 100 115 105 70 63 7 125 4.0 PC5 200 115 115 70 73 7 125 4.9 PC6 300 130 140 75 95 7 146 7.5 PC7 500 149 145 85 100 9 163 10 PC8 750 180 145 110 95 9 187 14 PC9 1000 180 165 110 110 9 187 17 ![]()